Note
Articles in this blog's slice are, for the time being, ony in italian.
Gli articoli in questa parte di blog sono, per ora, solo in italiano.
Le equazioni differenziali ordinarie del I ordine hanno la forma:
d x ( t ) d t + x ( t ) Ο = x p Ο \frac{dx(t)}{dt} + \frac{x(t)}{\tau} = \frac{x_p}{\tau} d t d x ( t ) β + Ο x ( t ) β = Ο x p β β
La soluzione generale Γ¨:
x ( t ) = k e β t / Ο + h x(t) = k e^{-t/\tau}+h x ( t ) = k e β t / Ο + h
Con h soluzione particolare, che si determina grazie alla condizione iniziale:
h = x ( 0 ) β x p β
β βΉ β
β x ( t ) [ x ( 0 ) β x p ] e β t / Ο + x p h = x(0)-x_p \implies x(t)\big[x(0)-x_p\big]e^{-t/\tau}+x_p h = x ( 0 ) β x p β βΉ x ( t ) [ x ( 0 ) β x p β ] e β t / Ο + x p β
Le equazioni differenziali ordinarie del II ordine hanno la forma:
d 2 x ( t ) d t 2 + 2 Ξ± d x ( t ) d t + Ο 0 2 x ( t ) = 0 \frac{d^2 x(t)}{dt^2} + 2\alpha \frac{d x(t)}{dt} +\omega_0^2 x(t)= 0 d t 2 d 2 x ( t ) β + 2 Ξ± d t d x ( t ) β + Ο 0 2 β x ( t ) = 0
Se Ξ± β Ο 0 \alpha \neq \omega_0 Ξ± ξ = Ο 0 β , allora:
x ( t ) = A e s t β
β βΉ β
β s 1 , 2 = β Ξ± Β± Ξ± 2 β Ο 0 2 β
β βΉ β
β x ( t ) = A 1 e s 1 t + A 2 e s 2 t x(t) = A e^{st}
\implies s_{1,2} = -\alpha \pm \sqrt{\alpha^2-\omega_0^2}
\implies x(t)=A_1 e^{s_1 t} + A_2 e^{s_2 t} x ( t ) = A e s t βΉ s 1 , 2 β = β Ξ± Β± Ξ± 2 β Ο 0 2 β β βΉ x ( t ) = A 1 β e s 1 β t + A 2 β e s 2 β t
Si determinano A 1 A_1 A 1 β e A 2 A_2 A 2 β grazie alle condizioni iniziali x ( 0 ) x(0) x ( 0 ) e d x d t β£ t = 0 \frac{dx}{dt}\Big|_{t=0} d t d x β β t = 0 β
Lβordine di complessitΓ di un circuito Γ¨ ricavato calcolando il numero di condizioni iniziali indipendenti:
n D n_D n D β : numero di componenti dinamici,
n C n_C n C β : numero di maglie esclusivamente composte da condensatori e generatori indipendenti di tensione,
n L n_L n L β : numero di linee chiuse che tagliano solo induttori e generatori indipendenti di corrente
ordineΒ circuito = n D β n C β n L \text{ordine circuito} = n_D - n_C - n_L ordineΒ circuito = n D β β n C β β n L β
Un circuito Γ¨ detto autonomo quando i generatori sono spenti. Lβenergia immagazzinata dai componenti dinamici (condensatori e induttori) Γ¨ rilasciata ai resistori.
C d v ( t ) d t + v ( t ) R = 0 C \frac{d v(t)}{dt}+\frac{v(t)}{R}=0 C d t d v ( t ) β + R v ( t ) β = 0
Condizione iniziale:
V 0 = ( t = t 0 = 0 s ) V_0=(t=t_0=0s) V 0 β = ( t = t 0 β = 0 s )
Energia iniziale immagazzinata:
E ( t = 0 ) = 1 2 C V 0 2 E(t=0)=\frac{1}{2} C V_0^2 E ( t = 0 ) = 2 1 β C V 0 2 β
Altre formule importanti sono:
d v ( t ) d t + v ( t ) Ο = 0 conΒ R C = Ο \frac{d v(t)}{dt}+\frac{v(t)}{\tau}=0\quad \text{con } RC = \tau d t d v ( t ) β + Ο v ( t ) β = 0 conΒ R C = Ο
v ( t ) = V 0 e β t / Ο v(t) = V_0 e^{-t/\tau} v ( t ) = V 0 β e β t / Ο
I dati relativi alla resistenza sono:
i R ( t ) = v ( t ) R = V 0 R e β t / Ο p R ( t ) = v ( t ) i R ( t ) = V 0 2 R e β ( 2 t ) / Ο E R ( t ) = β« 0 t p ( t ~ ) d t ~ = 1 2 C V 0 2 ( 1 β e β ( 2 t ) / Ο ) \eq{
i_R(t) &= \frac{v(t)}{R}= \frac{V_0}{R} e^{-t/\tau}\\
p_R(t) &= v(t)i_R(t)= \frac{V_0^2}{R} e^{-(2t)/\tau}\\
E_R(t) &= \int_0^t p(\widetilde{t})d\widetilde{t}
= \frac{1}{2} C V_0^2 \bigg(1-e^{-(2t)/\tau} \bigg) \\
} i R β ( t ) p R β ( t ) E R β ( t ) β = R v ( t ) β = R V 0 β β e β t / Ο = v ( t ) i R β ( t ) = R V 0 2 β β e β ( 2 t ) / Ο = β« 0 t β p ( t ) d t = 2 1 β C V 0 2 β ( 1 β e β ( 2 t ) / Ο ) β
L d i ( t ) d t + R i ( t ) = 0 L \frac{d i(t)}{dt}+Ri(t)=0 L d t d i ( t ) β + R i ( t ) = 0
Condizione iniziale:
I 0 = i ( t = t 0 = 0 s ) I_0=i(t=t_0=0s) I 0 β = i ( t = t 0 β = 0 s )
Energia iniziale immagazzinata:
E ( t = 0 ) = 1 2 L I 0 2 E(t=0)=\frac{1}{2} L I_0^2 E ( t = 0 ) = 2 1 β L I 0 2 β
Altre formule:
d i ( t ) d t + R i ( t ) L = 0 conΒ L R = Ο d i ( t ) d t + i ( t ) Ο β 1 = 0 i ( t ) = I 0 e β t / Ο \eq{
& \frac{d i(t)}{dt}+\frac{Ri(t)}{L}=0\quad \text{con } \frac{L}{R} = \tau \\
& \frac{d i(t)}{dt}+i(t)\tau^{-1}=0 \\
& i(t) = I_0 e^{-t/\tau}
} β d t d i ( t ) β + L R i ( t ) β = 0 conΒ R L β = Ο d t d i ( t ) β + i ( t ) Ο β 1 = 0 i ( t ) = I 0 β e β t / Ο β
I dati relativi alla resistenza sono:
v R ( t ) = R i ( t ) = R I 0 e β t / Ο p R ( t ) = v R ( t ) i ( t ) = R I 0 2 e β ( 2 t ) / Ο E R ( t ) = 1 2 L I 0 2 ( 1 β e β ( 2 t ) / Ο ) \eq{
v_R(t) &= Ri(t)= R I_0 e^{-t/\tau}\\
p_R(t) &= v_R(t)i(t)= R I_0^2 e^{-(2t)/\tau}\\
E_R(t) &= \frac{1}{2} L I_0^2 \bigg(1-e^{-(2t)/\tau} \bigg) \\
} v R β ( t ) p R β ( t ) E R β ( t ) β = R i ( t ) = R I 0 β e β t / Ο = v R β ( t ) i ( t ) = R I 0 2 β e β ( 2 t ) / Ο = 2 1 β L I 0 2 β ( 1 β e β ( 2 t ) / Ο ) β
La costante di tempo Ο β₯ 0 \tau \geq 0 Ο β₯ 0 Γ¨ il tempo impiegato dalla risposta di un circuito per decrescere di un fattore 1 / e 1/e 1/ e , ovvero raggiungere il 36.8 % 36.8\% 36.8% del valore iniziale.
Il circuito raggiunge la condizione di regime (transitorio esaurito) dopo un tempo di 5 Ο 5\tau 5 Ο .
La velocitΓ di risposta Γ¨ inversamente proporzionale a Ο \tau Ο .
L d i ( t ) d t + R i ( t ) + V 0 + 1 C β« 0 t i ( t ~ ) d t ~ = 0 L \frac{d i(t)}{dt}+ R i(t)+V_0 + \frac{1}{C} \int_0^t i(\widetilde{t})d\widetilde{t}=0 L d t d i ( t ) β + R i ( t ) + V 0 β + C 1 β β« 0 t β i ( t ) d t = 0
d 2 i ( t ) d t 2 + R L d i ( t ) d t + i ( t ) L C = 0 \frac{d^2 i(t)}{dt^2}+\frac{R}{L}\frac{d i(t)}{dt}+\frac{i(t)}{LC}=0 d t 2 d 2 i ( t ) β + L R β d t d i ( t ) β + L C i ( t ) β = 0
La costante di smorzamento Ξ± \alpha Ξ± Γ¨:
Ξ± = R 2 L β
β [ 1 s e c . ] \alpha = \frac{R}{2L} \; \bigg[\frac{1}{\rm sec.} \bigg] Ξ± = 2 L R β [ sec. 1 β ]
La pulsazione di risonanza Ο 0 \omega_0 Ο 0 β Γ¨:
Ο 0 = 1 L C \omega_0 = \frac{1}{\sqrt{LC}} Ο 0 β = L C β 1 β
Condizioni iniziali con i ( 0 ) = I 0 i(0)=I_0 i ( 0 ) = I 0 β :
d i d t β£ t = 0 = β 1 L [ R I 0 + V 0 ] \frac{d i}{dt}\bigg|_{t=0} = -\frac{1}{L}\bigg[R I_0 + V_0 \bigg] d t d i β β t = 0 β = β L 1 β [ R I 0 β + V 0 β ]
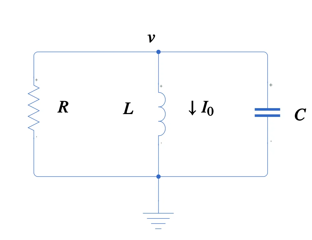
C d v ( t ) d t + v ( t ) R + I 0 + 1 L β« 0 t v ( t ~ ) d t ~ = 0 C \frac{d v(t)}{dt} + \frac{v(t)}{R}+I_0 + \frac{1}{L} \int_0^t v(\widetilde{t})d\widetilde{t}=0 C d t d v ( t ) β + R v ( t ) β + I 0 β + L 1 β β« 0 t β v ( t ) d t = 0
d 2 v ( t ) d t 2 + 1 R C d v ( t ) d t + v ( t ) L C = 0 \frac{d^2 v(t)}{dt^2}+\frac{1}{RC}\frac{d v(t)}{dt}+\frac{v(t)}{LC}=0 d t 2 d 2 v ( t ) β + R C 1 β d t d v ( t ) β + L C v ( t ) β = 0
La costante di smorzamento Ξ± \alpha Ξ± Γ¨:
Ξ± = 1 2 R C β
β [ 1 s e c . ] \alpha = \frac{1}{2RC} \; \bigg[\frac{1}{\rm sec.} \bigg] Ξ± = 2 R C 1 β [ sec. 1 β ]
La pulsazione di risonanza Ο 0 \omega_0 Ο 0 β Γ¨:
Ο 0 = 1 L C \omega_0 = \frac{1}{\sqrt{LC}} Ο 0 β = L C β 1 β
Condizioni iniziali con v ( 0 ) = V 0 v(0)=V_0 v ( 0 ) = V 0 β :
d v d t β£ t = 0 = β 1 R C [ R I 0 + V 0 ] \frac{dv}{dt}\bigg|_{t=0} = -\frac{1}{RC}\bigg[R I_0 + V_0 \bigg] d t d v β β t = 0 β = β R C 1 β [ R I 0 β + V 0 β ]
Si confrontano i circuiti RLC serie ed RLC parallelo nelle diverse tipologie di smorzamento:
Tipologia Soluzioni RLC Serie RLC Parallelo Sovrasmorzamento: Ξ± > Ο 0 \alpha > \omega_0 Ξ± > Ο 0 β s 1 , 2 = β Ξ± Β± Ξ± 2 β Ο 0 2 β R β s_{1,2}=-\alpha \pm \sqrt{\alpha^2 -\omega_0^2} \in \R^- s 1 , 2 β = β Ξ± Β± Ξ± 2 β Ο 0 2 β β β R β C > ( 4 L ) / R 2 C > (4L)/ R^2 C > ( 4 L ) / R 2 L > 4 R 2 C L > 4 R^2 C L > 4 R 2 C Sottosmorzamento: Ξ± < Ο 0 \alpha < \omega_0 Ξ± < Ο 0 β s 1 , 2 = β Ξ± Β± j Ξ± 2 β Ο 0 2 β C s_{1,2}=-\alpha \pm j\sqrt{\alpha^2 -\omega_0^2} \in \C s 1 , 2 β = β Ξ± Β± j Ξ± 2 β Ο 0 2 β β β C C < ( 4 L ) / R 2 C < (4L)/ R^2 C < ( 4 L ) / R 2 L < 4 R 2 C L < 4 R^2 C L < 4 R 2 C Senza smorzamento: Ξ± = 0 < Ο 0 \alpha = 0 < \omega_0 Ξ± = 0 < Ο 0 β s 1 , 2 = Β± j Ξ± 2 β Ο 0 2 β C s_{1,2}=\pm j\sqrt{\alpha^2 -\omega_0^2} \in \C s 1 , 2 β = Β± j Ξ± 2 β Ο 0 2 β β β C R = 0 R=0 R = 0 1 / R = 0 1/R = 0 1/ R = 0 Smorzamento critico: Ξ± = Ο 0 \alpha = \omega_0 Ξ± = Ο 0 β s 1 , 2 = β Ξ± β R s_{1,2}=-\alpha \in \R s 1 , 2 β = β Ξ± β R
N.B. Nei casi del sottosmorzamento e dellβassenza dello smorzamento, le soluzioni sono numeri complessi coniugati: s 1 = s 2 βΎ s_1 = \overline{s_2} s 1 β = s 2 β β .
Nellβambito dei circuiti elettrici, in particolare per gli argomenti trattati, la funzione gradino unitario si definisce come:
u ( t ) = { 0 t < 0 1 t > 0 β t = 0 u(t) =
\begin{cases}
0 \quad t < 0\\
1 \quad t > 0\\
\nexists \quad t = 0
\end{cases} u ( t ) = β© β¨ β§ β 0 t < 0 1 t > 0 β t = 0 β
Il gradino modella rapide variazioni di corrente e tensione.
Mentre per la teoria dei segnali Γ¨ utile definire u ( 0 ) = 1 / 2 u(0)=1/2 u ( 0 ) = 1/2 , in questo caso si preferisce una βversioneβ del gradino in cui la funzione non Γ¨ definita per t = 0 t=0 t = 0 β.
Il circuito RC autonomo si presenta nella forma:
Il circuito RL autonomo si presenta nella forma:
Formula RC Autonomo RL Autonomo Condizione iniziale v ( t = 0 ) = V 0 v(t=0)=V_0 v ( t = 0 ) = V 0 β i ( t = 0 ) = I 0 i(t=0)=I_0 i ( t = 0 ) = I 0 β Energia iniziale immagazzinata E ( t = 0 ) = 1 2 C V 0 2 E(t=0)=\frac{1}{2} C V_0^2 E ( t = 0 ) = 2 1 β C V 0 2 β E ( t = 0 ) = 1 2 L I 0 2 E(t=0)=\frac{1}{2} L I_0^2 E ( t = 0 ) = 2 1 β L I 0 2 β Integrazione nel tempo C d v ( t ) d t + v ( t ) β V s u ( t ) R = 0 C \frac{d v(t)}{dt}+\frac{v(t)-V_s u(t)}{R}=0 C d t d v ( t ) β + R v ( t ) β V s β u ( t ) β = 0 L d i ( t ) d t + R i ( t ) β V s u ( t ) = 0 L \frac{d i(t)}{dt}+R i(t)-V_s u(t)=0 L d t d i ( t ) β + R i ( t ) β V s β u ( t ) = 0 Risposta del circuito Ο = R C \tau = RC Ο = R C d v ( t ) d t + v ( t ) Ο = V s u ( t ) Ο = 0 \frac{d v(t)}{dt}+\frac{v(t)}{\tau}=\frac{V_s u(t)}{\tau}=0 d t d v ( t ) β + Ο v ( t ) β = Ο V s β u ( t ) β = 0 Ο = L / R \tau = L/R Ο = L / R d i ( t ) d t + i ( t ) Ο = I s u ( t ) R Ο \frac{di(t)}{dt}+\frac{i(t)}{\tau} = \frac{I_s u(t)}{R\tau} d t d i ( t ) β + Ο i ( t ) β = R Ο I s β u ( t ) β Risposta completa v ( t ) = [ V 0 β V s ] e β t / Ο + V s v(t) = [V_0 - V_s] e ^{-t/\tau}+V_s v ( t ) = [ V 0 β β V s β ] e β t / Ο + V s β i ( t ) = [ I 0 β I s ] e β t / Ο + I s i(t) = [I_0 - I_s] e ^{-t/\tau}+I_s i ( t ) = [ I 0 β β I s β ] e β t / Ο + I s β Risposta transitoria v T = [ V 0 β V s ] e β t / Ο v_T=[V_0 - V_s] e^{-t/\tau} v T β = [ V 0 β β V s β ] e β t / Ο i T = [ I 0 β I s ] e β t / Ο i_T=[I_0 - I_s] e^{-t/\tau} i T β = [ I 0 β β I s β ] e β t / Ο Risposta a regime v R = V s v_R = V_s v R β = V s β i R = I s i_R = I_s i R β = I s β Risposta al gradino v ( t ) = V 0 e β t / Ο + V s ( 1 β e β t / Ο ) v(t)=V_0 e^{-t/\tau}+V_s (1-e^{-t/\tau}) v ( t ) = V 0 β e β t / Ο + V s β ( 1 β e β t / Ο ) i ( t ) = I 0 e β t / Ο + I s ( 1 β e β t / Ο ) i(t)=I_0 e^{-t/\tau}+I_s (1-e^{-t/\tau}) i ( t ) = I 0 β e β t / Ο + I s β ( 1 β e β t / Ο ) Risposta naturale v N = V 0 e β t / Ο v_N = V_0 e^{-t/\tau} v N β = V 0 β e β t / Ο i N = I 0 e β t / Ο i_N = I_0 e^{-t/\tau} i N β = I 0 β e β t / Ο Risposta forzata v F = V s ( 1 β e β t / Ο ) v_F=V_s(1-e^{-t/\tau}) v F β = V s β ( 1 β e β t / Ο ) i F = I s ( 1 β e β t / Ο ) i_F=I_s(1-e^{-t/\tau}) i F β = I s β ( 1 β e β t / Ο )
RLC Serie RLC Parallelo v < 0 β i ( t ) = 0 v<0 \to i(t)=0 v < 0 β i ( t ) = 0 , i ( 0 ) = I 0 = 0 i(0)=I_0 = 0 i ( 0 ) = I 0 β = 0 v < 0 β v ( t ) = 0 v<0 \to v(t)=0 v < 0 β v ( t ) = 0 , v ( 0 ) = V 0 = 0 v(0)=V_0 = 0 v ( 0 ) = V 0 β = 0 d i d t t = 0 = 1 L [ V s β V 0 ] \frac{d i}{dt}_{t=0}=\frac{1}{L}[V_s - V_0] d t d i β t = 0 β = L 1 β [ V s β β V 0 β ] d v d t t = 0 = 1 C [ I s β I 0 ] \frac{dv}{dt}_{t=0} =\frac{1}{C}[I_s - I_0 ] d t d v β t = 0 β = C 1 β [ I s β β I 0 β ] v L ( t ) = L d i d t v_L(t)=L \frac{d i}{dt} v L β ( t ) = L d t d i β i C ( t ) = C d v d t i_C(t)=C\frac{dv}{dt} i C β ( t ) = C d t d v β v R ( t ) = R i ( t ) v_R (t)=R i(t) v R β ( t ) = R i ( t ) i R ( t ) = v ( t ) / R i_R (t)=v(t)/R i R β ( t ) = v ( t ) / R v C ( t ) = V s β v R ( t ) β v L ( t ) v_C (t)=V_s-v_R (t)-v_L (t) v C β ( t ) = V s β β v R β ( t ) β v L β ( t ) i L ( t ) = I s β i R ( t ) β i C ( t ) i_L (t)=I_s-i_R (t)-i_C (t) i L β ( t ) = I s β β i R β ( t ) β i C β ( t )